公司简介
公司简介
资质证书
电子样本
企业动态
产品展示
资质证书
人才招聘
联系我们
网站首页
关于我们
企业动态
产品展示
人才招聘
电子样本
联系我们
公司简介
荣誉资质
成套输配电系列
高压开关柜系列
低压开关柜系列
箱式变电站系列
三箱类系列
电缆分支箱系列
变压器系列
成套壳体系列
高压开关柜壳体
低压开关柜壳体
三箱类系列
箱变外壳系列
电缆分支箱壳体
充气柜配件系列
高压元器件系列
微机综合保护系列
分接开关系列
户外隔离开关系列
户内隔离开关系列
其他附件系列
户内真空断路器系列
户外真空断路器系列
户内负荷开关系列
户外负荷开关系列
接地开关系列
FTU系列
地 址:
江西省上饶市横峰县工业园区创业大道孵化基地内
电 话:
0793-5656818
传 真:
0793-5656967
当前位置:
首页
>
产品展示
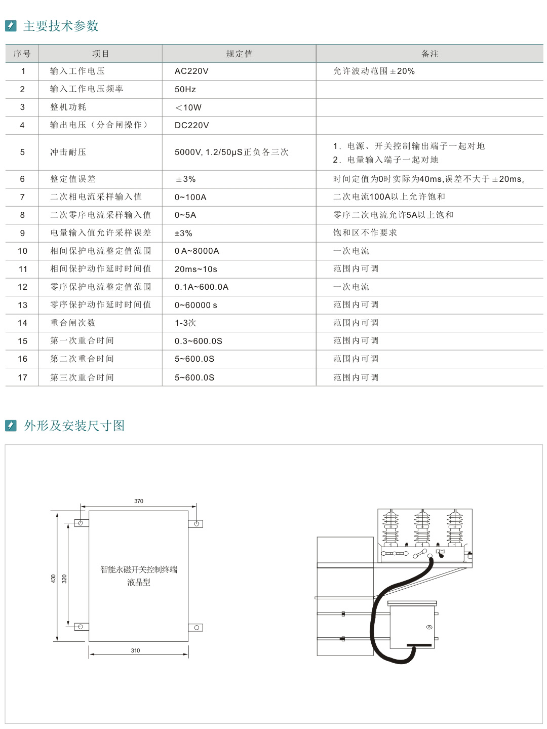
JL-YC 智能永磁控制终端
江西金丽输配电有限公司
2021/12/13
关于金丽
·
公司简介
·
资质证书
·
联系我们
产品中心
·
成套输配电系列
·
成套壳体系列
·
高压元器件系列
新闻资讯
·
企业新闻
·
行业新闻
联系方式
·
地址:江西省上饶市横峰县工业园区创业大道孵化基地内
·
电话:0793-6052888 0793-5656818
·
手机:13125303011 13177502888
·
传真:0793-5656967
·
网址:www.jiangxijinli.com
·
邮箱:jxjinlishupeidian@qq.com
版权所有@2017
箱式变电站,江西配电柜-
江西金丽输配电有限公司 电话:0793-5656818 传真:0793-5656967
赣ICP备18005095号-1
友情链接: